Pompe de caldura Auratsu la pret foarte bun pe nzen.ro. Vezi modelele disponibile si cere suport tehnic pentru alegerea potrivita.

TRACON Descarcator de supratensiune T2 AC, element modular inlocuibil 4P 40kA 400V - Tracon ESPD2-40-4P

TRACON
345,72 Lei

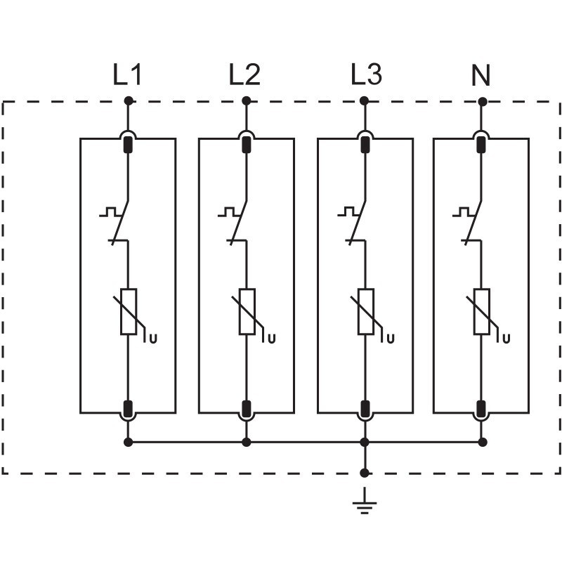
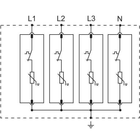
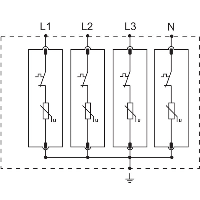
Descarcator de supratensiune tip T2 destinati retelelor AC 400V, configuratie 4 poli, cu element modular inlocuibil, curent nominal de descarcare 20 kA (8/20µs) si curent maxim 40 kA. Produsul ofera protectie eficienta impotriva supratensiunilor tranzitorii si perturbatiilor in retea, protejand echipamentele electrice si electronice din instalatie.

In stoc

Durata de livrare: 5-7 zile lucratoare

Limita stoc
Adauga in cos
Cod Produs: ESPD2-40-4P Ai nevoie de ajutor? 0774023936
Adauga la Favorite Cere informatii
  • Descriere
  • Download (1)
  • Review-uri (0)
  • FAQ

Specificatii Tehnice Principale

 
Parametru Valoare
Cod produs (SKU) ESPD2-40-4P
Producator Tracon
Tip descarcator T2 (protectie supratensiuni tranzitorii)
Element modular Inlocuibil
Numar de conductoare (fara impamantare) 4
Curent de scurgere nominal (8/20) 20 kA
Curent maxim de descarcare (8/20) 40 kA
Tensiune nominala AC 400 V AC
Tensiunea maxima continua AC (Uc) 275 V AC
Nivel de protectie de tensiune 1.3 kV
Nivel de protectie de tensiune L-N 1.3 kV
Nivel de protectie de tensiune N-PE 1.3 kV
Dispozitiv de protectie supracurent maxim 125 A
Configurarea sistemului DC Nu
Configurarea sistemului TN Nu
Configurarea sistemului TN-C Nu
Configurarea sistemului TN-C-S Da
Configurarea sistemului TN-S Da
Configurarea sistemului TT Nu
Dimensiune de constructie 4 modular spacing
Sectiune transversala maxima conductor solid 35 mm2
Sectiune transversala maxima conductor flexibil 35 mm2
Cu contact de semnalizare la distanta Nu
Categoria de tip 2 Da
Garantie 2 ani

Ce este un descarcator T2 si cum functioneaza

 

Descarcatorul de supratensiune T2 este conceput sa protejeze instalatia electrica impotriva supratensiunilor tranzitorii generate in retea de comutari, descarcari inductive sau perturbatii electrice.

Modelul ESPD2-40-4P este echipat cu element modular inlocuibil, ceea ce permite schimbarea rapida a modulului de protectie fara demontarea intregului dispozitiv, prelungind viata de service si reducand costurile de mentenanta.


Performanta electrica si nivel de protectie

 

Curentul nominal de descarcare de 20 kA (8/20µs) arata capacitatea de a prelua impulsuri repetate de supratensiune.

Curentul maxim de descarcare de 40 kA reprezinta limita maxima de energie pe care o poate absorbi dispozitivul intr-un impuls sever.

Nivelul de protectie 1.3 kV (Up) limiteaza tensiunea reziduala transmisa catre instalatie, protejand astfel echipamentele electrice si electronice sensibile conectate in aval.


Compatibilitate cu sisteme electrice

 

Acest model este compatibil cu urmatoarele configuratii:

✔ TN-C-S
✔ TN-S


Nu este compatibil cu:

✘ TT
✘ TN
✘ TN-C
✘ DC


Constructie si montaj

 

Dispozitivul ocupa 4 module pe sina DIN si se integreaza usor in tablouri standard de distributie.

Sectiunea maxima admisa a conductorului este 35 mm2, atat pentru conductor solid, cat si pentru conductor flexibil.

Dispozitivul de protectie supracurent maxim admis in amonte este 125 A, conform parametrilor de siguranta ai produsului.


Avantaje tehnice

 
  • Protectie T2 dedicata supratensiunilor tranzitorii

  • Curent maxim de descarcare 40 kA

  • Element modular inlocuibil

  • Nivel de protectie 1.3 kV

  • Compatibil cu retele trifazate 400 V AC

  • Montaj pe sina DIN

  • Ocupare redusa de spatiu (4 module)


Aplicatii recomandate

 
  • Tablouri secundare de distributie

  • Protectie suplimentara dupa un descarcator T1

  • Cladiri rezidentiale si comerciale

  • Instalatii industriale usoare

  • Protectia echipamentelor electronice sensibile


Intrebari frecvente (FAQ)

 

Intrebare: Pentru ce tip de supratensiuni este recomandat un T2?
Raspuns: Protectie impotriva supratensiunilor tranzitorii generate intern in retea, cum ar fi comutari sau descarcari inductive.
 

Intrebare: Ce inseamna element modular inlocuibil?
Raspuns: Modulul de protectie se poate inlocui separat, fara schimbarea intregului descarcator.
 

Intrebare: Care este curentul maxim admis?
Raspuns: 40 kA conform parametrilor tehnici.
 

Intrebare: Este compatibil cu sistem TT?
Raspuns: Nu, este compatibil doar cu TN-C-S si TN-S.

Informatii conformitate produs
  • Catalog Descarcator de supratensiune T2 AC, element modular inlocuibil 4P 40kA 400V - Tracon ESPD2-40-4P

    Descarca
Daca doresti sa iti exprimi parerea despre acest produs poti adauga un review.

Review-ul a fost trimis cu succes.

Ce rol are un SPD T2 în tabloul electric?

Protejează instalația și echipamentele împotriva supratensiunilor tranzitorii (comutații, supratensiuni induse), reducând riscul de defectare.

Ce înseamnă 4P la un descărcător de supratensiune?

Înseamnă protecție pe cele 3 faze și pe nul, într-o configurație cu 4 poli.

Care sunt parametrii principali ai acestui model?

Este un SPD T2 pentru AC, 400V, 4P, cu Imax 40kA și element modular înlocuibil.

Ce avantaj are elementul modular înlocuibil?

Înlocuiești doar modulul consumat, păstrând baza și cablarea, ceea ce scade timpul de intervenție și costul mentenanței.

Comparație: SPD 4P vs SPD 3+1

4P protejează fazele și nulul într-o configurație unitară, în timp ce 3+1 folosește un modul dedicat N-PE; alegerea depinde de schema de împământare și de proiectul tabloului.

Unde se montează, de regulă, un SPD T2 4P 400V?

În tabloul principal sau în tablouri de distribuție trifazate, cu legături cât mai scurte către bara PE.

Ce e important pentru România (împământare și execuție)?

În România, eficiența SPD-ului depinde mult de împământare și de trasee scurte către PE, altfel tensiunea reziduală crește. La nevoie, oferim consultanță pentru alegerea protecțiilor și execuția corectă a tablourilor electrice.

WhatsApp

Compara produse

Trebuie sa mai adaugi cel putin un produs pentru a compara produse.

A fost adaugat la favorite!

A fost sters din favorite!