Pompe de caldura Auratsu la pret foarte bun pe nzen.ro. Vezi modelele disponibile si cere suport tehnic pentru alegerea potrivita.

Grundfos Pompa de recirculare apa calda GRUNDFOS ALPHA2 GO 25-60 180, 93074216

Grundfos
1.769,00 Lei

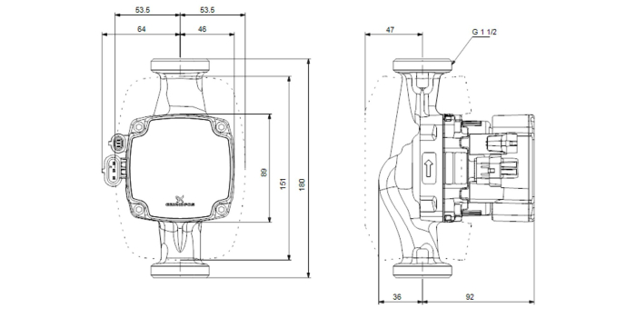
Pompa de recirculare apa calda GRUNDFOS ALPHA2 GO 25-60 180, este o pompa electronica pentru recirculare, cu putere maxima absorbita de 37 W, inaltime maxima de pompare de 3.26 m, debit maxim de 1.9 m3/h, presiune maxima de lucru de 10 bar si distanta intre racorduri de 180 mm. Modelul are EEI 0.2, alimentare la 230 V, grad de protectie IP44 si este prevazut cu AUTOADAPT si functie de aerisire automata.

 
In stoc

Durata de livrare: 5-7 zile lucratoare

Limita stoc
Adauga in cos
Cod Produs: 93074216 Ai nevoie de ajutor? 0774023936
Adauga la Favorite Cere informatii
  • Descriere
  • Video (1)
  • Review-uri (0)
  • FAQ

Specificații tehnice

Tip

Pompă de circulație

Înălțime de pompare maximă (m)

3.26

Debit maxim (m3/h)

1.9

Presiune maximă de lucru (bar)

10

Temperatură minimă de lucru (°C)

2

Dimensiune racord (DN)

1.1/2"

Distanță între racorduri (mm)

180

Temperatură maximă agent termic (°C)

110

Putere electrică maximă absorbită (W)

37

Putere electrică minimă absorbită (W)

3

Alimentare electrică (V)

230

Grad de protecție

IP44

Clasă de izolare

F

EEI

0.18

Greutate (kg)

1.94

 

Ce este GRUNDFOS ALPHA2 GO 25-60 180 si unde se foloseste?

GRUNDFOS ALPHA2 GO 25-60 180 este o pompa pentru recirculare apa calda, destinata instalatiilor unde este necesar control avansat al circulatiei apei si functionare continua. Este folosita in instalatii de incalzire si climatizare, unde conteaza controlul inteligent, consumul redus de energie si stabilitatea in functionare.


Avantajele principale ale produsului

Modelul include AUTOADAPT, care selecteaza automat punctul optim de functionare, precum si moduri de lucru cu presiune constanta, presiune proportionala, debit constant si curba constanta. Pompa are si functie de aerisire automata, pentru exploatare mai usoara si functionare stabila.

Constructia include carcasa din fonta EN-GJL-150 si rotor din composite PES/PESU, iar intervalul de temperatura al lichidului este intre -10 si 95°C.


Functii si caracteristici

  • AUTOADAPT
  • Aerisire automata
  • Presiune constanta
  • Presiune proportionala
  • Debit constant
  • Curba constanta
  • Control inteligent al circulatiei apei

De ce sa alegi GRUNDFOS ALPHA2 GO 25-60 180?

GRUNDFOS ALPHA2 GO 25-60 180 ofera EEI 0.2, consum electric intre 3 si 37 W, debit maxim de 1.9 m3/h, inaltime de pompare de 3.26 m, AUTOADAPT si functie de aerisire automata. Configuratia il recomanda pentru instalatii unde conteaza eficienta energetica, controlul automat si functionarea continua.


Intrebari frecvente (FAQ – Structured Data ready)

Intrebare: Ce inaltime maxima de pompare are aceasta pompa?
Raspuns: Are inaltime maxima de pompare de 3.26 m.

Intrebare: Ce debit maxim are?
Raspuns: Are debit maxim de 1.9 m3/h.

Intrebare: Ce presiune maxima de lucru suporta?
Raspuns: Suporta presiune maxima de lucru de 10 bar.

Intrebare: Ce dimensiune de racord are?
Raspuns: Are racord de 1 1/2".

Intrebare: Ce distanta este intre racorduri?
Raspuns: Are distanta intre racorduri de 180 mm.

Intrebare: Ce alimentare electrica are?
Raspuns: Are alimentare la 230 V.

Intrebare: Ce putere electrica absorbita are?
Raspuns: Are putere electrica minima de 3 W si putere electrica maxima de 37 W.

Informatii conformitate produs
Daca doresti sa iti exprimi parerea despre acest produs poti adauga un review.

Review-ul a fost trimis cu succes.

Pentru ce este recomandată Grundfos ALPHA2 GO 25-60 180?

Este recomandată pentru recircularea apei calde și pentru aplicații unde este necesară circulație controlată și eficientă. Este potrivită pentru instalații compacte unde contează consumul redus.

Ce performanțe hidraulice are acest model?

Pompa are înălțime maximă de pompare 3,26 m și debit maxim 1,9 m³/h. Aceste valori o recomandă pentru aplicații de recirculare apă caldă și instalații de dimensiuni reduse sau medii.

Cum se compară această pompă cu o pompă de circulație clasică, fără control electronic?

Un avantaj important al gamei electronice este funcționarea mai economică și adaptarea mai bună la cerințele instalației. Față de un model clasic, este o soluție mai potrivită pentru sisteme unde se urmărește eficiența energetică. Această comparație este o inferență tehnică pornind de la tipul produsului și consumul redus.

Ce parametri electrici principali are pompa?

Modelul are putere 37 W și alimentare la 230 V. Aceste valori susțin utilizarea lui în instalații unde se caută un consum controlat și integrare ușoară.

Ce distanță între racorduri are acest model?

Pompa are distanță între racorduri de 180 mm. Acest detaliu trebuie verificat în raport cu spațiul disponibil și cu racordurile instalației existente.


WhatsApp

Compara produse

Trebuie sa mai adaugi cel putin un produs pentru a compara produse.

A fost adaugat la favorite!

A fost sters din favorite!